三相馬達接線圖:交流馬達的接線原理及星形角形接法
三相馬達是三相交流異步電動機的俗稱,事實上馬達是英文MOTOR的音譯,中國那么大,不同的地方有不同的叫法。總之三相馬達說的就肯定是三相電機,三相鼠籠式異步電動機。如果光說馬達那還是有交流和直流之分的,相信朋友們對此都非常清楚。
我見過一位老師傅,他是專門修馬達的,有十多年的經驗了,有一次他來請教我馬達接線的問題,為此我感到非常驚訝,我沒想到他對馬達那么熟悉卻不知道如何接線,讓電機正常運轉。事實上他不是完全不懂,他只是對三相馬達的“星-角啟動”接線不了解而以。
其實星-角啟動接線對于一般的電工來講是Z基本的知識了,相信許許多多朋友都會,可是沒有經驗的卻不敢去操作,因為接錯線的后果想來很嚴重。其實不然,三相馬達的直接啟動、星三角啟動、自耦降壓啟動接線一點都不復雜,相反看懂了后你會覺得很簡單。
以下三圖是三相馬達的基本接線原理圖:



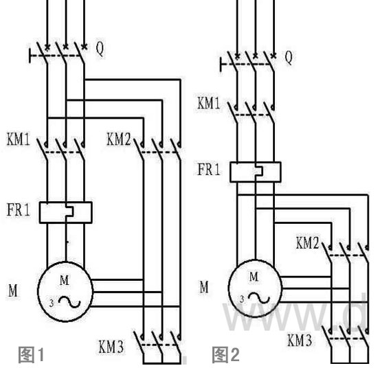
在這幾個接線圖的基礎上加入兩個接觸器進行電源的切換即可達到星角轉換的目的。如下圖1圖2所示,兩種Z為常用的星角啟動的主電路圖,兩者的區別發現了嗎?
三相馬達啟動用多大的接觸器得看電機的功率和有多大以及它帶的負載是什么設備,怎樣去選擇呢?不清楚的朋友們可以點擊“星三角啟動接觸器選型”了解。

下一篇:數顯表如何調節電流變比?視頻教程